
ND-100 Emulator
completedComplete .NET emulator for the Norsk Data ND-100 minicomputer

Complete .NET emulator for the Norsk Data ND-100 minicomputer
C-based ND-100 emulator compiled to WebAssembly with full MMU support

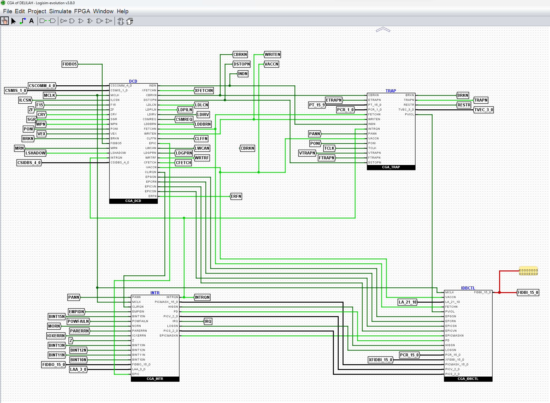
FPGA hardware implementation of the ND-120 CPU using original 1988 design documents
Microcode-level emulator of the ND-110 CPU for deep hardware understanding
Microcode-level ND-120 CPU emulator extending the ND-110 implementation
ND-500 CPU emulator with MMU and compiler integration

Accurate TDV 2215 terminal emulator using original schematics and ROM dumps
NCR 5386 SCSI controller emulation with working HDD support
Motorola 68000-based Ethernet controller with LANCE chip emulation
ND-500 bus interface for ND-100 connectivity via PCB 3022
VS Code plugin for ND assembly development with debugging support
Digital archive with 600+ preserved Norsk Data floppies and documentation

HDLC/MEGALINK serial communication gateway for COSMOS network
RP2350-based hardware emulator for ND hard drive controllers
Physical ND-110/CX Compact restoration for emulator validation
Physical ND-100 Satellite restoration with MFM disk recovery